来宝网移动站

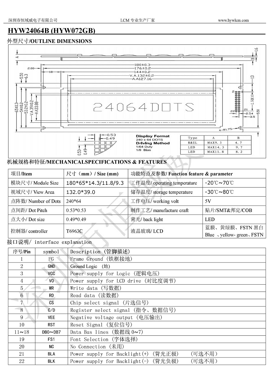
供应24064液晶屏240*64图形点阵液晶屏测试仪器液晶屏包邮直销

  • 属性
  • 详情
  • 产地:  广东
  • 关注度:  次
  • 品牌:  heroway
  • 型号:  HYW24064B
  • 厂商性质:  生产型,
  • 价格:  1
  • 添加时间:  2017/5/13

“恒域威”已注册品牌商标,ISO9001, 3C等质量资质齐全,产品分为四大类:单色液晶屏,在同行业及客户群有一定的口碑及影响力;迎合市场发展需求,又推出单色屏升级版彩屏,…...  了解更多>>

  • *
  • *
  • *
  • *